スマートベース(自動販売機用基礎ブロック)

P212-002 スマートベース(自動販売機用基礎ブロック)

製品概要

自動販売機用基礎ブロック

用途

自動販売機用基礎

特徴

自動販売機の基礎ブロックとして、スライド式のレールを内蔵したコンクリートパネル基礎ブロック

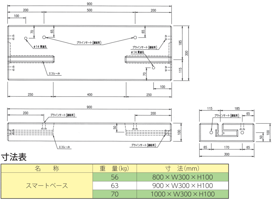
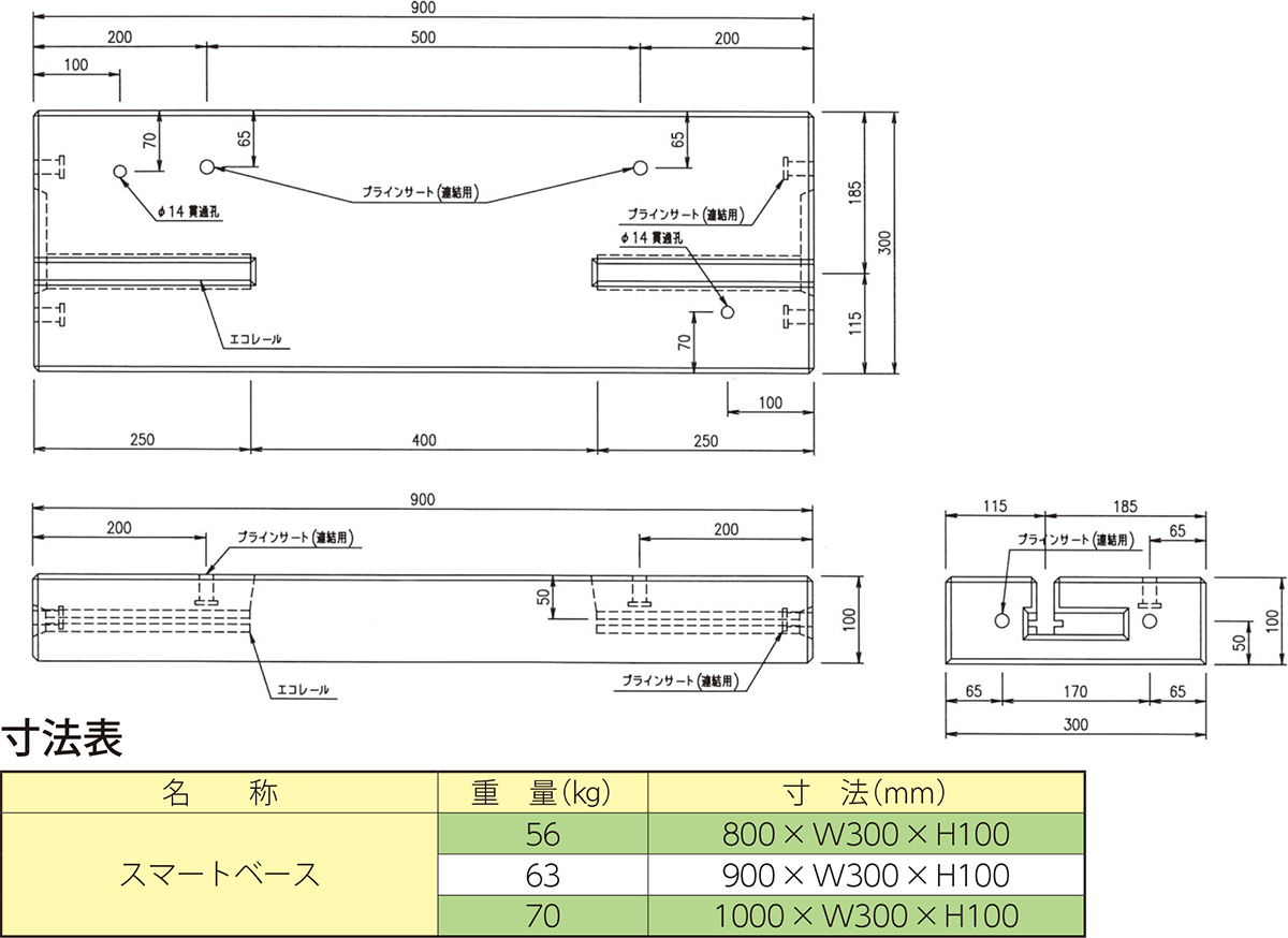
設計図
図面 - P212-002 スマートベース(自動販売機用基礎ブロック)