株式会社 ナガ・ツキ
お問い合わせ
メニュー
コンテンツへ移動
ホーム
会社案内
会社概要
社長挨拶
SDGsへの取り組み
事業所案内
本社
豊平工場
甲田工場
美郷工場
本郷工場
沿革
製品案内
製品案内
コンクリートの豆知識
求人情報
トップメッセージ
働き方に関する取り組み
私たちが求めること
新卒採用情報
キャリア採用情報
社員の声
デイリースケジュール
求人Q&A
エントリーフォーム
トピックス
お知らせ
社会貢献
社内行事
芸陽堂
豆知識
社内外教育
見学会
その他社内外教育
ホーム
|
製品案内
|
製品詳細
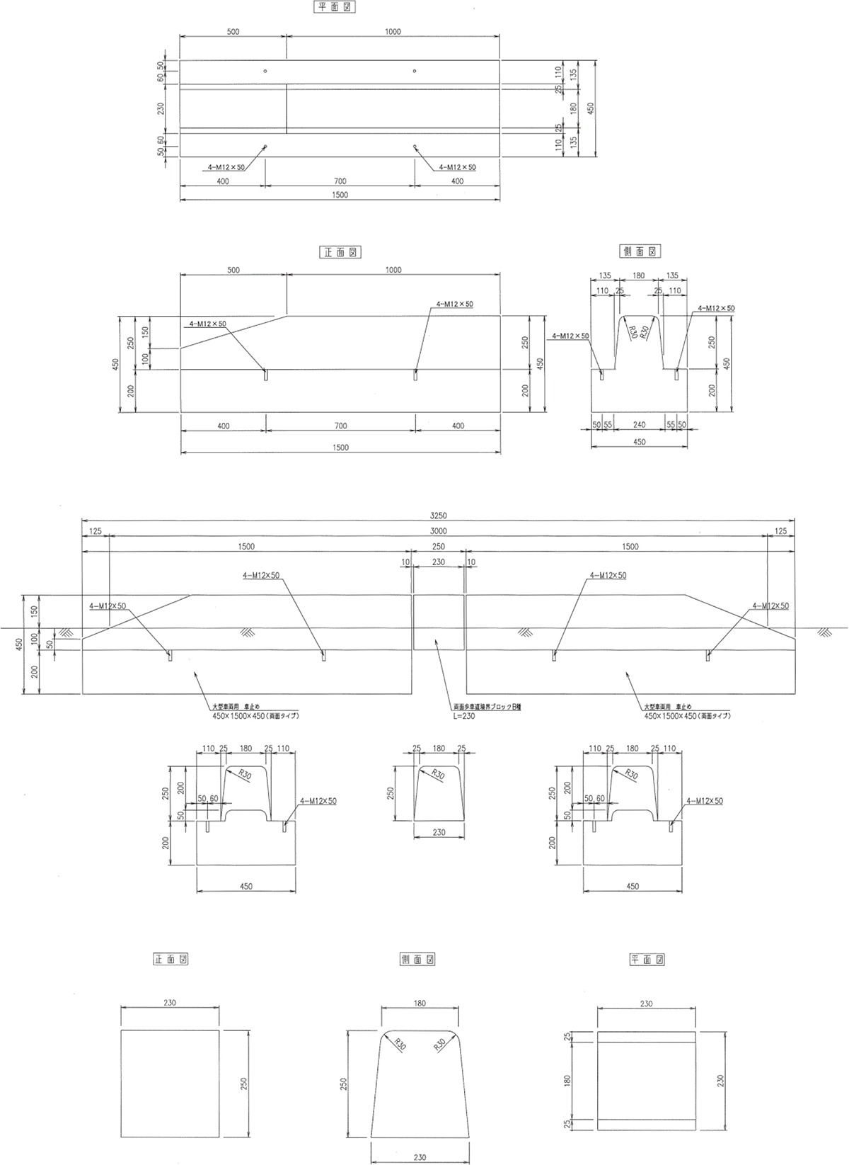
車止め
製品概要
穴あきタイプで軽量です。
設計図