AV側溝

P999-011 AV側溝

製品概要

上部工(門型ラーメン構造)と下部工との連結により、強固でバランスの取れた箱型構造で、可変勾配側溝でありながら底の生コン打設が不用な側溝です。
適切な流速の確保のため、滞留による汚泥の堆積を解消します。
頂版部の構造が暗渠のため、開口が任意に選択可能です。これにより、バリアフリー設計ができます。

専用集水桝による流出入管の接続、一般管路の取付管・浸透幹の接続加工も可能です。
上部工側壁の高さは10cm刻みで製品化されており、動水勾配を自在に調整できます。
また、目地間隙の調整による曲線打設も可能となります。

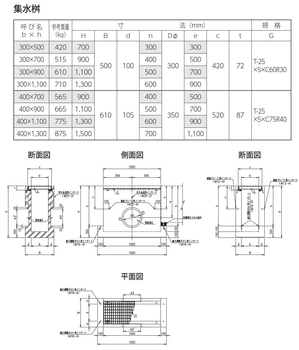
設計図
図面 - P999-011 AV側溝
図面 - P999-011 AV側溝
図面 - P999-011 AV側溝